HF Square Wave Generator
Almost any oscilloscope available today offers a basic 1 kHz signal output intended for probe compensation. Which may be fine for this very purpose but actually quite boring to play with.
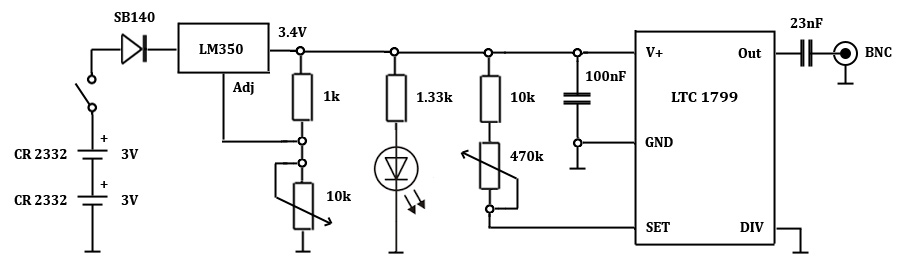
So I decided to build a little HF square wave generator to be able to test higher frequency signals on the scope.The generator makes use of the LTC 1799 precision oscillator which is a SMD part and capable of producing signals up to the MHz range. The circuit below shows the most simple wiring of the LTC 1799. In this configuration it generates an AC coupled signal in the range of 0.2 to 10 MHz depending on the value of the "SET" potentiometer.
Since I wanted the device to be as simplistic as possible I decided to avoid any kind of power adapter and included two coin cell batteries as well as a LM350 voltage regulator in order to get a constant peak-to-peak voltage from the generator.
As you might expect the output signal of such a little tool is far from perfect. Depending on the amount of capacitive load connected to the output the signal's square wave character vanishes more and more with higher frequencies. However, the tool serves its purpose quite nicely up to a couple of MHz.

The most challenging task while building the circuit was to actually solder the tiny little oscillator IC onto the PCB. So if you plan on using the LTC 1799 for your own signal generator solution don't forget to have a pair of tweezers and a big magnifying glass at hand.






